• 認證:PSE,CE,FC
• 理論壽命值:溫度40℃下,40,000小時
(以初期照度70%計算)
• 色溫:5,700K(標準)、5,000K(COB)、4,000K(選配)
• 使用溫度:-10℃~40℃(指不結冰的情況下)
• 防護等級:IP67(僅限燈頭內部)
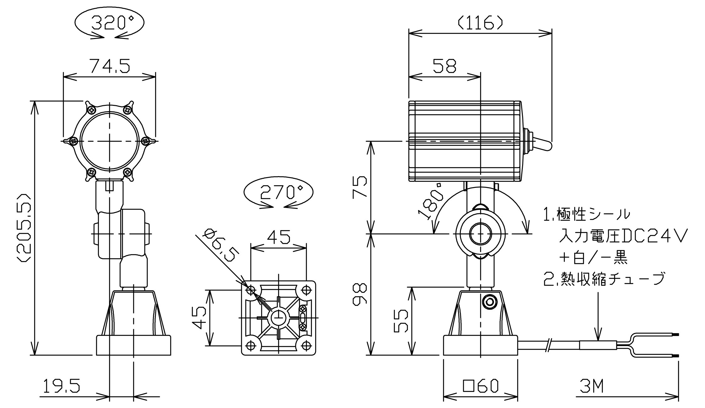
• 電線:AC/DC 3M(VCTF0.75mm²x2C)
• L型底座 (AL-23)、C型底座(AL-28B)
• 帶插頭電線2M(VCTF0.75mm²x2C)
03系列之本體為塑膠成型,具有良好的絕緣性。05系列
則為鋁製,散熱性佳並且堅固耐用。
使用定電流驅動方式,即使輸入電壓變動也能保持燈具亮
度不變,並且能增加LED的壽命。
獨自開發的保護迴路設計,針對電源接通瞬間的突波及不
穩定電流或瞬間斷電,皆具保護作用。
本產品採用信賴性高世界馳名的LED,皆經過絕緣性測試
非常適合於工具機內部照明。
<適用>工具機械內外部用照明等
光通量:280 lm
照度(1米):630 lx
電源:DC24V
消耗功率:3.5W
尺寸圖:
選用配件:
